Hjem > Produkter > Møtrik > Sekskant flangemøtrik > Metrisk sekskantflangemøtrik
        Metrisk sekskantflangemøtrik
        • Metrisk sekskantflangemøtrikMetrisk sekskantflangemøtrik
        • Metrisk sekskantflangemøtrikMetrisk sekskantflangemøtrik
        • Metrisk sekskantflangemøtrikMetrisk sekskantflangemøtrik

        Metrisk sekskantflangemøtrik

        Metrisk sekskantflangemøtrik er en sekskantmøtrik med flangeflade, der følger metrisk størrelse. Xiaoguo®-producenten leverer metriske sekskantede flangemøtrikker, der opfylder standarderne, og professionelt personale er altid tilgængeligt til at besvare spørgsmål.
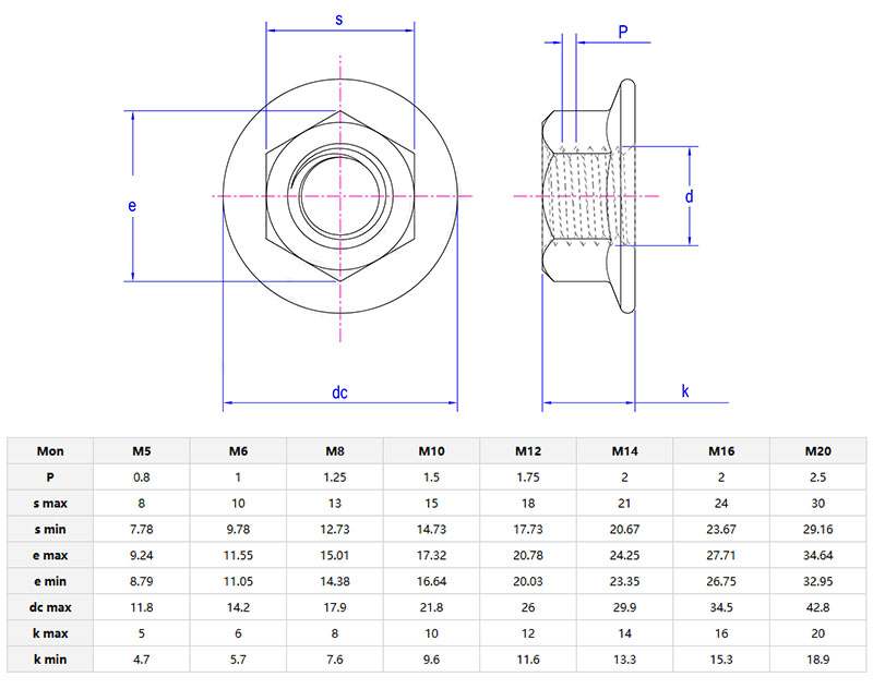
        Model:ASME/ANSI B18.2.4.4M-1982

        Send forespørgsel

        Produkt beskrivelse

        Mekanikere og bygningsarbejdere bruger metrisk sekskantflangemøtrik i højvibrerende miljøer. Flangen holder overfladen tæt, hvilket reducerer risikoen for at løsne møtrikken, og det metriske gevind TILPASSER sig standardbolte, så du ikke behøver at tilpasse specielle dimensioner.

        Metric hex flange nut

        Produktdetaljer og parametre

        Den metriske sekskantflangemøtrik er en kombination af en standard sekskantmøtrik og en indbygget flange (skive). Den kan fordele trykket for at beskytte overfladen og samtidig forhindre møtrikken i at løsne sig på grund af vibrationer. Den fås i stål og rustfrit stål til brug i maskiner, køretøjer eller byggeri. Flenger eliminerer behovet for separate pakninger, hvilket sparer installationstid og antallet af dele.

        Landmænd og landbrugsarbejdere bruger metrisk sekskantflangemøtrik i traktorer, høstmaskiner og kunstvandingssystemer. Flanger forhindrer møtrikker i at løsne sig i støvede eller mudrede omgivelser, og metriske gevind passer til de fleste landbrugsudstyrsbolte. Den er stærk nok til at modstå dagligt slid, men alligevel enkel nok til at betjene og udskiftes direkte i marken. Uanset om de reparerer plove eller kornsiloer, sparer disse møtrikker brugerne tid.

        Metrisk sekskantflangemøtrik bruges i elektronik og robotteknologi. Flangen holder møtrikken stabil på et tyndt panel eller printplade uden at overspænde. Metriske dimensioner er i overensstemmelse med præcise tekniske specifikationer, hvilket er afgørende for præcisionsudstyr. Hobbyister og fagfolk bruger det i droner, 3D-printere eller automatiserede systemer, hvor vibrationer kan forstyrre justeringen af ​​møtrikker.



        Metric hex flange nut

        Vores markedsfordeling

        Marked
        Omsætning (Forrige år)
        Samlet omsætning (%)
        Nordamerika
        Fortrolig
        15
        Sydamerika
        Fortrolig
        10
        Østeuropa
        Fortrolig
        12
        Sydøstasien
        Fortrolig
        10
        Mellemøsten
        Fortrolig
        7
        Østasien
        Fortrolig
        17
        Vesteuropa
        Fortrolig
        15
        Sydasien
        Fortrolig
        6
        Hjemmemarked
        Fortrolig
        8

        Vedligeholdelsestips

        Kontroller den metriske sekskantflangemøtrik for rust eller bøjede flanger. Udskift, hvis gevindet strimler eller flangen revner. Til salte miljøer skal du vælge rustfrit stål. Rengør trådene med en stålbørste, hvis der samler sig snavs. Undgå at stramme for hårdt på bløde materialer som plastik. Tryk flangen fladt mod overfladen og spænd med en skruenøgle. Flangen justerer sig selv på ujævne steder. Brug en momentnøgle til tunge belastninger for at undgå afisolering af gevind.


        Hot Tags: Metrisk sekskantflangemøtrik, Kina, producent, leverandør, fabrik
        Relateret kategori
        Send forespørgsel
        Du er velkommen til at give din forespørgsel i nedenstående formular. Vi svarer dig inden for 24 timer.
        X
        Vi bruger cookies til at tilbyde dig en bedre browsingoplevelse, analysere trafik på webstedet og tilpasse indhold. Ved at bruge denne side accepterer du vores brug af cookies. Privatlivspolitik
        Afvise Acceptere