Hjem > Produkter > Møtrik > Sekskant flangemøtrik > Sekskantmøtrikker med flange
        Sekskantmøtrikker med flange
        • Sekskantmøtrikker med flangeSekskantmøtrikker med flange
        • Sekskantmøtrikker med flangeSekskantmøtrikker med flange
        • Sekskantmøtrikker med flangeSekskantmøtrikker med flange

        Sekskantmøtrikker med flange

        Xiaoguo® sekskantmøtrikker med flange integreret en flangebase for bedre belastningsfordeling uden behov for yderligere pakninger. Flangen fordeler trykket, og den sekskantede form forenkler installationen, hvilket sparer installationstid og antallet af brugte dele. Gratis prøver er tilgængelige.
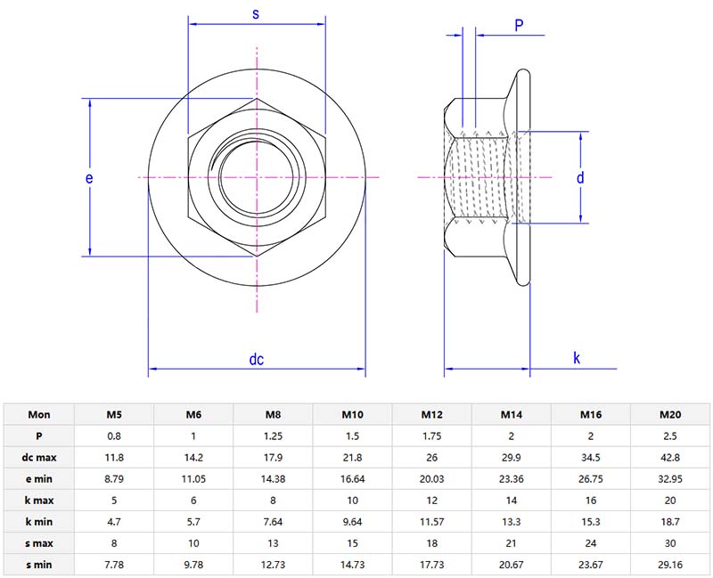
        Model:NF E25-406-1984

        Send forespørgsel

        Produkt beskrivelse

        Sekskantmøtrikker med flangeer fastgørelseselementer, der kombinerer en standard sekskantet møtrik med en indbygget skive (flange). De er lavet af stål, rustfrit stål eller belagte legeringer. De passer til standardbolte og kræver ikke separate skiver. Meget velegnet til montering på maskiner og køretøjer.  

        Hexagon nuts with flange

        Produktdetaljer og parametre

        Sekskantmøtrikker med flangehar allerede pakningslignende flanger, så du kan stramme dem hurtigere. Møtrikker varierer i størrelse fra M3 til M30 og dækker alt fra små elektronik til tunge maskiner. Flangen forhindrer også møtrikken i at rotere efter montering, hvilket er meget praktisk til fint arbejde. Se efter møtrikker med en glat sekskantet form, der er nemmere at gribe med et værktøj. Almindelige anvendelser omfatter cykelstel, dele til landbrugsmaskiner og endda møbelben.

        Sekskantmøtrikker med flangeer enkel, men væsentlig. De forhindrer at falde af, sparer plads og fremskynder monteringen. Populære størrelser er M10 x 1,5 mm eller 1/2" x 13UNC. Flangen tilføjer også en lille læbe for at hjælpe med at justere værktøjet. De fleste er lavet af grundlæggende kulstofstål, men du kan få højstyrkelegeringer til ekstreme belastninger. Brug dem til alt fra teltstænger til traktorer.

        Sekskantmøtrikker med flangetilføje greb og beskyttelse uden ekstra dele. De er lidt dyrere end almindelige nødder, men sparer tid og reducerer løs hardware. Perfekt til hurtige løsninger eller job, hvor overfladepleje betyder noget.

        Hexagon nuts with flange parameter

        Har du brug for en møtrik, der bliver siddende?

        Sekskantmøtrikker med flangeer kraftige skruer, der holder møtrikken på plads, selv når den rystes. Den brede bund er som en indbygget skive, der griber fat i overfladen for at forhindre møtrikken i at løsne sig og bruges i maskiner. De kommer i både imperiale (som 1 1/2") og metriske (op til M36) størrelser, der passer til de fleste bolte. Den flade underside hjælper med at placere tingene pænt, hvilket betyder noget for præcisionsarbejde som at samle metalrammer eller fastgøre motorer. Kig efter dem med dybere gevind - de griber boltene strammere, hvilket gør dem pålidelige til møtrikker fra fabrikken. eller endda udendørs kunstinstallationer, hvor stabilitet betyder noget. De er mere omfangsrige end almindelige møtrikker, men flangen reducerer behovet for separate skiver.

        Hot Tags: Sekskantmøtrikker med flange, Kina, producent, leverandør, fabrik
        Relateret kategori
        Send forespørgsel
        Du er velkommen til at give din forespørgsel i nedenstående formular. Vi svarer dig inden for 24 timer.
        X
        Vi bruger cookies til at tilbyde dig en bedre browsingoplevelse, analysere trafik på webstedet og tilpasse indhold. Ved at bruge denne side accepterer du vores brug af cookies. Privatlivspolitik
        Afvise Acceptere