Hjem > Produkter > Møtrik > Sekskant flangemøtrik > Omkostningseffektiv svejseflangemøtrik
        Omkostningseffektiv svejseflangemøtrik
        • Omkostningseffektiv svejseflangemøtrikOmkostningseffektiv svejseflangemøtrik
        • Omkostningseffektiv svejseflangemøtrikOmkostningseffektiv svejseflangemøtrik
        • Omkostningseffektiv svejseflangemøtrikOmkostningseffektiv svejseflangemøtrik
        • Omkostningseffektiv svejseflangemøtrikOmkostningseffektiv svejseflangemøtrik
        • Omkostningseffektiv svejseflangemøtrikOmkostningseffektiv svejseflangemøtrik

        Omkostningseffektiv svejseflangemøtrik

        En omkostningseffektiv svejseflangemøtrik leveres ofte med forskellige overfladebehandlinger, såsom zinkbelægning, for at beskytte den mod rust før svejsning og forlænge dens levetid. Xiaoguo® har været i fastgørelsesbranchen i over 15 år med fokus på at forhandle højkvalitetsbolte, møtrikker og spændeskiver til kunder over hele verden - med et veletableret netværk af pålidelige leverandører, der sikrer ensartet produktkvalitet og rettidig ordreopfyldelse.
        Model:Q 366-2012

        Send forespørgsel

        Produkt beskrivelse

        I applikationer, der bærer tunge belastninger, er omkostningseffektive svejseflangemøtrikker kendt for at fungere godt. Fordi møtrikken er påsvejst og lavet af stærke materialer, kan den klare meget vægt. Du finder disse møtrikker brugt i vigtige strukturer som broer eller store industrielle maskiner, hvor de forbinder væsentlige dele. Flangen hjælper med at sprede trykket jævnt og holder samlingen tæt selv under belastning, hvilket er nøglen til at holde alt sikkert og fungere som det skal.

        Produktdetaljer

        Gevindene på en omkostningseffektiv svejseflangemøtrik er lavet til at matche standard industristørrelser, så de passer til almindelige bolte og skruer uden problemer. Uanset om det er metrisk eller samlet gevind, skrues møtrikken jævnt på og forbliver stram. God gevindføring hjælper også møtrikken med at modstå at ryste løs fra vibrationer, hvilket gør den til et pålideligt valg i situationer med bevægelse eller høje vibrationer.

        Spørgsmål: Er overfladefinishen på den omkostningseffektive svejseflangemøtrik vigtig for svejsning?

        A: Ja, en ren, ensartet overflade er kritisk. Mens vores zinkbelagte omkostningseffektive svejseflangemøtrik tilbyder beskyttelse, skal pletteringen fjernes fra svejsekontaktområdet for at sikre en ren, stærk metallurgisk binding og forhindre svejsekontamination.

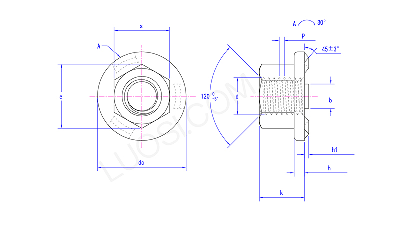
        man M5 M6 M8 M10 M12 M14 M16
        P 0.8 1 1.25 1.5 1.75 2 2
        h1 max 0.9 0.9 1.1 1.3 1.3 1.3 1.3
        h1 min 0.7 0.7 0.9 1.1 1.1 1.1 1.1
        dc max 15.5 18.5 22.5 26.5 30.5 33.5 36.5
        dc min 14.5 17.5 21.5 25.5 29.5 32.5 35.5
        e min 8.2 10.6 13.6 16.9 19.4 22.4 25
        h max 1.95 2.25 2.75 3.25 3.25 4.25 4.25
        h min 1.45 1.75 2.25 2.75 2.75 3.75 3.75
        b max 4.1 5.1 6.1 7.1 8.1 8.1 8.1
        b min 3.9
        4.9
        5.9
        6.9
        7.9
        7.9
        7.9
        k min 4.7 6.64 9.64 12.57 14.57 16.16 18.66
        k max 5 7 10 13 15 17 19.5
        s max 8 10 13 16 18 21 24
        s min 7.64 9.64 12.57 15.57 17.57 20.16 23.16


        Hot Tags: Omkostningseffektiv svejseflangemøtrik, Kina, producent, leverandør, fabrik
        Relateret kategori
        Send forespørgsel
        Du er velkommen til at give din forespørgsel i nedenstående formular. Vi svarer dig inden for 24 timer.
        X
        Vi bruger cookies til at tilbyde dig en bedre browsingoplevelse, analysere trafik på webstedet og tilpasse indhold. Ved at bruge denne side accepterer du vores brug af cookies. Privatlivspolitik
        Afvise Acceptere