Skuldertype Øjeboltkvaliteter for fastgørelseselementet er defineret af styrke- og materialestandarder, som er afgørende for sikker løftning. Almindelige kvaliteter inkluderer 4,8, 8,8, 10,9 og 12,9 for kulstofstålvarianter - højere tal betyder større trækstyrke. Klasse 4.8 passer til lette opgaver som gør-det-selv hjemme, mens 8.8 fungerer til generel industriel brug. Højstyrke 10,9 og 12,9 kvaliteter håndterer tunge belastninger i byggeri eller maskiner.
Rustfri stålversioner følger ofte A4 (316) eller A2 (304) kvaliteter, der prioriterer korrosionsbestandighed for marine/kemiske miljøer. Smedede legerede stålkvaliteter giver overlegen holdbarhed til ekstreme løft. Hver klasse er mærket med belastningsklasser, hvilket sikrer kompatibilitet med tilsigtede anvendelser og overholdelse af sikkerhedskrav.
Kvalitetskontrol for en skuldertypeøjebolt betyder at udføre grundige kontroller for at sikre, at den er sikker og fungerer korrekt. Denne proces involverer normalt at sikre sig, at materialekvaliteten er korrekt, kontrollere trådene for at se, om de er nøjagtige, og at køre belastningstest for at bekræfte Working Load Limit (WLL). De tjekker også, om dimensionerne matcher standarder som DIN eller ISO. Hvert parti øjebolte skal kunne spores, og du får en certificering, der beviser, at det opfylder kravene til, hvordan du vil bruge det.

Spørgsmål: Hvordan skal jeg montere en skulder-øjebolt korrekt? For en standardbolt skal du skrue den helt ind lige ind i et tappet hul – sørg for, at øjenskulderen rører overfladen. At trække i en vinkel vil reducere dens sikre arbejdsbelastning totalt, og det er farligt.

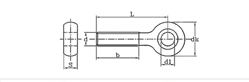
mm
Tråd diameter
d1
dk
s
M6
5
10.5
5.4
M8
6
13
7
M10
8
16
8.5
M12
10
19
10.5
M14
10
22
12