Hjem > Produkter > Bolt > Bolt med rund hoved > Øjebolt med høj kapacitet
        Øjebolt med høj kapacitet
        • Øjebolt med høj kapacitetØjebolt med høj kapacitet
        • Øjebolt med høj kapacitetØjebolt med høj kapacitet

        Øjebolt med høj kapacitet

        Øjebolte med høj kapacitet er præcisionsfremstillet af materialer med høj styrke og har en stærk bæreevne. Xiaoguos højlastbærende øjebolte opfylder internationale sikkerhedsstandarder og er velegnede til løft af tungt udstyr, teknisk installation og andre scenarier. Xiaoguo sikrer, at hvert produkt opfylder strenge sikkerhedsstandarder.

        Send forespørgsel

        Produkt beskrivelse

        Inden du overhovedet tænker på at bruge High Capacity Eye bolt, skal du se godt på det. Tjek for åbenlyse skader, såsom revner, bøjninger, eller hvis det hele er slidt ned. Sørg også for, at al information stemplet på den, især Working Load Limit (WLL), er klar og let at læse. Hvis du ikke kan se den ordentligt, er det bedre at springe den over og få fat i en anden.

        Når du sætter den i, skrues den helt ind i hullet, indtil skulderdelen sidder helt fladt og tæt mod overfladen. Brug aldrig en hammer til at tvinge den – det kan ødelægge tingene. Bare brug det rigtige værktøj, som en skruenøgle, for at få det stramt og sikkert.

        Med hensyn til, hvordan du påfører belastningen, skal du altid holde den på linje med boltens øje. Træk aldrig sidelæns eller i en underlig vinkel, fordi det kan få det til at svigte. Hvis du bruger en skulderøjebolt til løft, der ikke er lige op, skal du holde vinklen under 45 grader, og husk, at du bliver nødt til at sænke WLL for at tage højde for vinklen. Dette hjælper med at undgå overbelastning og holder alt mere sikkert, mens du arbejder.

        Produkt emballage

        Hvis du bare henter et lille High Capacity Eye-boltsæt fra byggemarkedet, kommer de sandsynligvis i en simpel papkasse. Men hvis du bestiller i løs vægt til et stort arbejde eller til industriel brug, er det når tingene ændrer sig. De vil ofte blive pakket sikkert i kraftige papirkartoner, der derefter stables og spændes fast på træpaller. Denne palletering er ret standard, fordi den gør forsendelse og håndtering meget mere stabil og sikker for alle involverede.

        En anden super almindelig måde, du vil se dem pakket på, er individuelt eller i grupper først i klare plastikposer. Disse poser er gode til at holde fugt og støv ude. Derefter placeres disse poser inde i en stærkere ydre papirkarton for et ekstra lag af beskyttelse under transport. Helt ærligt, hovedpointen i al denne emballage er ikke at være fancy; det er bare praktisk. Dens eneste opgave er at beskytte øjeboltene mod at blive slået, rustne eller beskadiget, mens de sendes til dig eller opbevares.

        Q&A session

        Spørgsmål: Hvad er forskellen mellem en almindelig og en skuldermønster High Capacity Eye-bolt? En skuldermønsterbolt har en større lejeflade under øjet, så den fordeler belastningen bedre. Denne er stærkere, og du bør bruge den til vinklede løft - i modsætning til den almindelige type, som kun virker til lige opadgående lodrette belastninger.

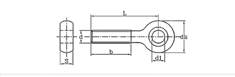
        High Capacity Eye Bolt

        mm
        Tråd diameter
        d1
        dk
        s
        M6
        5 10.5 5.4
        M8

        6

        13 7
        M10
        8 16 8.5
        M12
        10 19 10.5
        M14
        10 22 12


        Hot Tags: Øjebolt med høj kapacitet
        Relateret kategori
        Send forespørgsel
        Du er velkommen til at give din forespørgsel i nedenstående formular. Vi svarer dig inden for 24 timer.
        X
        Vi bruger cookies til at tilbyde dig en bedre browsingoplevelse, analysere trafik på webstedet og tilpasse indhold. Ved at bruge denne side accepterer du vores brug af cookies. Privatlivspolitik
        Afvise Acceptere