Smedt øjenbolter stærke fastgørelsesmidler, der bruges til løft, rigning og forankring. De har en rund "øje" loop i den ene ende og en gevindskaft på den anden. Disse giver dig mulighed for at fastgøre kabler, reb eller kæder sikkert. De er lavet til at håndtere både bevægelige og stationære belastninger. Du kan se dem meget i byggeri, marine arbejde og logistik.
Der er forskellige typer, som skulderbolt, maskinerbolt og skrue øjne. Hver type fungerer til forskellige belastningsstørrelser og miljøer. Deres design er hård og pålidelig, hvilket gør dem vigtige for at holde tingene sikre og arbejde godt i industrielle omgivelser.
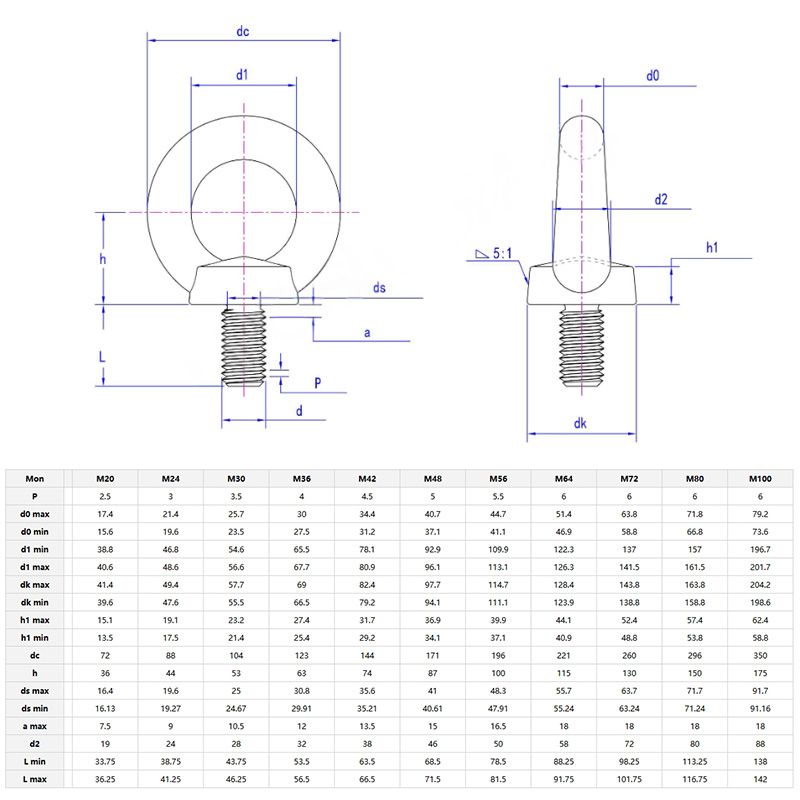
Smedt øjenboltKom i trådstørrelser, der spænder fra M6 helt op til M48, og de er vurderet til belastninger mellem 50 kg til over 20 ton. Hvis du bruger skuldertype, skal du bare huske-du skal skrue dem helt ind for at ramme deres maksimale vægtvurdering. Skru øjne? Disse er bedre til lettere job. Kontroller altid, om de har certificeringer som DIN, ISO eller ASTM - det er sådan, du ved, at de er legitime.
Ting som øjets størrelse, skaftlængde og trådafstand afhænger af dit job, så krydskontrol af vægtdiagrammerne for at undgå uoverensstemmelser. Brug for noget underligt til et specielt projekt? Nogle leverandører vil endda finjustere størrelser eller tråde til dig. Spring bare ikke over detaljerne, når du bestiller.

Spørgsmål: Hvad er den maksimale vægtkapacitet på dinsmedt øjenbolt, og hvordan bestemmes det?
A: Hvor meget vægt det kan indeholde virkelig kommer ned på tre ting: hvad det er lavet af, hvor tyk det er, og den måde, den er bygget på. Tag for eksempel kulstofstål smedede - de er hårdere end stemplede eller bøjede versioner og kan håndtere hvor som helst fra 0,25 ton op til 11 ton. Arbejdsbelastningsgrænsen (WLL) - det er den maksimale sikre vægt, de kan håndtere - finder ud af at bruge regler som ASME B30.26 eller DIN 580. Disse regler bygger i en sikkerhedspude, normalt et forhold på 4: 1 eller 5: 1, så de er langt stærkere end antallet antyder. Grundlæggende, hvis det er vurderet til 1 ton, er det faktisk bygget til at håndtere 4 eller 5 ton, før noget går sidelæns.