Hjem > Produkter > Bolt > Firkantet hovedbolt > Square Countersunk Head Bolt
      Square Countersunk Head Bolt
      • Square Countersunk Head BoltSquare Countersunk Head Bolt
      • Square Countersunk Head BoltSquare Countersunk Head Bolt

      Square Countersunk Head Bolt

      Square Countersunk Head Bolt kan lade bolthovedet synke ned i installationsoverfladen, hvilket sikrer en glat og smuk overflade, mens de undgår fremspring og stød, hvilket gør dem velegnede til lejligheder, der kræver udseende og sikkerhed. Hvis du har brug for en flad overflade, kan du vælge Xiaoguo® denne bolt. Tællingshovedet gør det muligt for bolten at klæbe glat til overfladen. Vi producerer bolte i forskellige størrelser, og de er på lager. Du kan når som helst kontakte os for forespørgsler.
      Model:MS 9397-2000

      Send forespørgsel

      Produkt beskrivelse

      Lederen af ​​enSquare Countersunk Head Bolter firkantet og har en skråning, der kan synke helt ned i det nedstemte hul på det materiale, det er sammenføjet til. På denne måde vil bolthovedet ikke stikke ud, og overfladen vil være fladere. Hvis du forfølger skønhed, kan du vælge dem.


      Produktoplysninger og parametre

      Du kan brugeSquare Countersunk Head BoltI møbelproduktionsindustrien. De kan bruges til at fremstille bordplader, skabsdøre osv. De kan skjule skruerne. Efter at have været strammet, er overfladen glat og påvirker ikke møblernes samlede udseende. De føler sig heller ikke ubehagelige, når de røres.


      Boltnøglen har et stort kontaktområde og er mindre tilbøjeligt til at glide ud, når den strammes, hvilket gør det lettere at betjene end den runde hovedbolt. Selv dem med ringe styrke kan stramme boltene. Et countersunk -hul skal bores i materialet inden installationen. EfterSquare Countersunk Head Bolter skruet ind, hovedet indsættes fuldstændigt i hullet og skylles med overfladen af ​​materialet. På denne måde, uanset om det er installeret på et plan eller en buet overflade, vil det ikke påvirke den samlede fladhed.


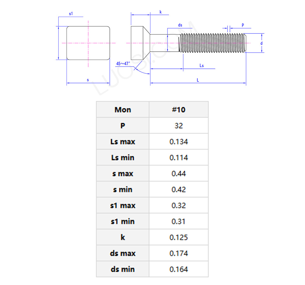
      Square countersunk head bolt parameters

      Produktsalgspunkt

      DeSquare Countersunk Head Bolter kendetegnet ved at være pladsfri og skjult. Efter installationen skylles bolthovedet med den materielle overflade og bulger ikke som almindelige bolte. Det påvirker hverken udseendet eller ridser andre ting. De er lette at installere og glider ikke let under installationen, hvilket gør dem meget praktiske.


      Hot Tags: Square Countersunk Head Bolt, Kina, producent, leverandør, fabrik
      Relateret kategori
      Send forespørgsel
      Du er velkommen til at give din forespørgsel i nedenstående formular. Vi svarer dig inden for 24 timer.
      X
      We use cookies to offer you a better browsing experience, analyze site traffic and personalize content. By using this site, you agree to our use of cookies. Privacy Policy
      Reject Accept