Du finderselverlåsende kuppelmøtrikkeri bilmotorer, chassisdele, flypaneler og tunge maskiner som traktorer eller kraner. Bygget med hærdet stål, låser de fast på deres egen - ingen raslen løs, selv med konstant rystelse. Gratis prøver tilgængelige for at teste, før du forpligter dig.

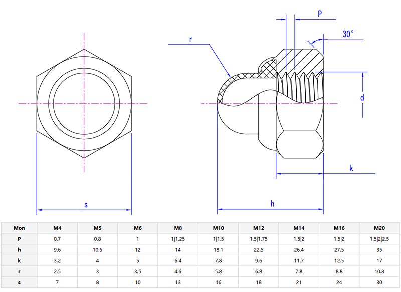
Deselvlåsende kuplet hættemøtriker en specialiseret fastgørelsesanordning designet til at forblive sikkert på plads selv under kraftige vibrationer eller bevægelser. Den kombinerer en hvælvet hætteform med en indbygget låsemekanisme, normalt en nylonindsats eller deforme tråde, for at forhindre, at den løsner sig over tid. I modsætning til almindelignødder, denselvlåsende kuplet hættemøtriktilbyder både et færdigt look (takket være dens glatte kuppel) og pålidelig ydeevne. Det er almindeligt anvendt i maskiner, biler og byggeprojekter, hvor sikkerhed og holdbarhed er topprioriteter.
Selvlåsende kuplede hættemøtrikkerspare tid og besvær. Du behøver ikke at blive ved med at tjekke, om de stadig er stramme, og du behøver ikke bekymre dig om, at de løsner sig. Den kuppeltop dækker også over skarpe punkter – ikke flere ridsede arme på legeredskaber eller snavset tøj på møbler. For ting som maskiner eller køretøjer betyder det mindre nedetid, fordi du ikke altid fikserer løse bolte. Selvfølgelig koster de lidt mere, men tænk på det som at købe et godt telefoncover - det er grundlæggende beskyttelse, der bare virker. Ingen smarte tricks, kun færre hovedpine.
| Marked |
Samlet omsætning (%) |
| Nordamerika |
22 |
| Sydamerika |
10 |
| Østeuropa |
23 |
| Sydøstasien |
2 |
| Oceanien |
6 |
| Mellemøsten |
5 |
| Østasien |
18 |
| Vesteuropa |
13 |
| Sydasien |
3 |
Xiaoguo® selvlåsende kuplet hættemøtriker lavet af hærdet stål - ingen smarte udtryk, bare hårde ting. De låser fast alene, så vibrationer ryster dem ikke løs. Perfekt til montering af maskiner eller bildele. Masseordrer? Vi har dig dækket med fabrikspriser.
Produkt emballage
Dette produkt er pakket i standard industriemballage, der er praktisk og let at opbevare og transportere. Vi bruger stærke plastikposer eller kartonkasser til at holde dele rene og undgå ridser under forsendelse. Hver pakke har en tydelig etiket, der viser størrelse, mængde og grundlæggende specifikationer, så du kan tjekke og bruge dem hurtigt. Emballagen er stærk nok til at beskytte produktet mod tryk eller kollision under langdistancelevering. Det er også nemt at åbne og organisere i varehuse eller værksteder. Vi tilbyder forskellige emballagemuligheder alt efter ordremængde, herunder små pakker til daglig brug og større pakker til bulkordrer. Emballagedesignet følger gængse industriregler og opfylder grundlæggende forsendelseskrav. Det holder produktet i god stand, inden du bruger det, uden ekstra unødvendig dekoration.