Hjem > Produkter > Bolt > Flangebolt med sekskanthoved > Sekskantbolte med flange
        Sekskantbolte med flange
        • Sekskantbolte med flangeSekskantbolte med flange
        • Sekskantbolte med flangeSekskantbolte med flange
        • Sekskantbolte med flangeSekskantbolte med flange

        Sekskantbolte med flange

        De sekskantede bolte med flange produceret af Xiaoguo® er tillid til af kunder over hele verden. Der er implementeret streng kontrol gennem hele produktionsprocessen. Ønsker du at forhøre dig om priser, så kontakt os venligst.
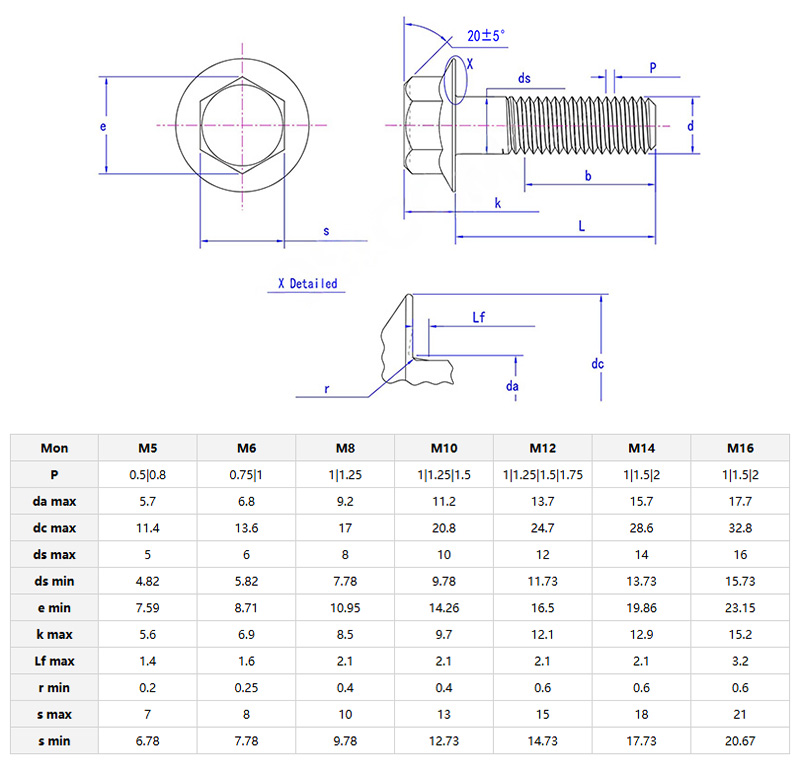
        Model:ISO 15071-1999

        Send forespørgsel

        Produkt beskrivelse

        Undersekskantbolte med flange, der er en flange som en skive. Det gør det muligt for bolte at spille en særlig rolle, når tingene forbindes. Denne form for bolte kan spille en rolle mange steder, hvor tilslutningskravene er relativt høje.

        Hexagon Bolts With Flange

        Applikationer og parametre

        Sekskantbolte med flangekan forhindre regn og rust. Overfladebehandlingen af ​​varmgalvanisering gør, at de kan bruges til hegn, skure eller terrasserammer. Flangeplader kan forhindre bolte i at sætte sig fast i træ eller tyndt metal og kræver ikke poleringsbehandling. De er velegnede til baggårdsbygninger.

        Anvendes i støvede værksteder og gårde. Den takkede flange kan fastholde den rustne samling, og det sekskantede hoved vil ikke falde af selv under højt drejningsmoment. De kan bruges i traktorer, kornsiloer og kraftige hylder.


        Den fortykkede flangepladestruktur er integreret vedsekskantet bolt med flange, der kombinerer det sekskantede hoveds køreegenskaber med den aksiale lastspredningsfunktion. Tag industrimotorer som et eksempel. De vibrationer, der genereres under drift, kan nemt forårsage gnidningsslid eller forspændingsdæmpning af traditionelle fastgørelsesanordninger. Flangebolt med sekskanthoved kan effektivt undertrykke transmissionen af ​​vibrationsenergi til forbindelsesgrænsefladen gennem flangepladens dæmpningseffekt og optimering af trykfordelingen på kontaktfladen.

        Hexagon Bolts With Flange

        Produkt salgsargument

        Det største salgsargument forsekskantbolte med flangeer, at forbindelsen er stabil, og den effektivt kan sprede trykket. De øger kontaktarealet med de forbundne objekter. Når den er strammet, kan kraften fordeles jævnt, hvilket gør forbindelsen mere sikker og reducerer skader på materialet. Den har en stærkere evne til at modstå vibrationer.


        Hot Tags: Sekskantbolte med flange, Kina, producent, leverandør, fabrik
        Relateret kategori
        Send forespørgsel
        Du er velkommen til at give din forespørgsel i nedenstående formular. Vi svarer dig inden for 24 timer.
        X
        Vi bruger cookies til at tilbyde dig en bedre browsingoplevelse, analysere trafik på webstedet og tilpasse indhold. Ved at bruge denne side accepterer du vores brug af cookies. Privatlivspolitik
        Afvise Acceptere